|
Есть вопросы? Наши квалифицированные специалисты готовы проконсультировать вас. Пишите свои вопросы или отправляйте заявку на нашу почту: gt@gigaterm.ru |
Задать вопрос
|
Доставка - по тарифу ТК
Метрологические характеристики
Погрешность при рабочих условиях не превышает:
- ± 0,05% (приведенная) - по показаниям расхода, давления и перепада давления при работе с токовыми входными сигналами 4-20 мА;
- ± 0,05% (относительная) - по показаниям расхода при работе с числоимпульсными и частотными входными сигналами;
- ± 0,1°C (абсолютная) - по показаниям температуры для термопреобразователей Pt100, 100П, 100М.
Эксплуатационные характеристики
- Температура окружающего воздуха: от -10 до 50 °C.
- Относительная влажность: 95% при 35 °C.
- Степень защиты от воды и пыли: IP65.
- Габаритные размеры: 244 x 220 x 70 мм.
- Электропитание: 220 В ± 30%, 50 Гц.
- Потребляемая мощность: 7 В•А.
- Срок службы: 12 лет.
- Межповерочный интевал: 4 года.
- Гарантия: 5 лет.
Купить корректор газа СПГ 761.2 по цене производителя
Корректоры СПГ 761 применяются в составе измерительных комплексов (систем) и обеспечивают комплексное решение широкого круга задач:
- коммерческий учет потребления и отпуска природного газа;
- контроль технологических параметров потока газа;
- организация систем диспетчеризации и контроля потребления газа.
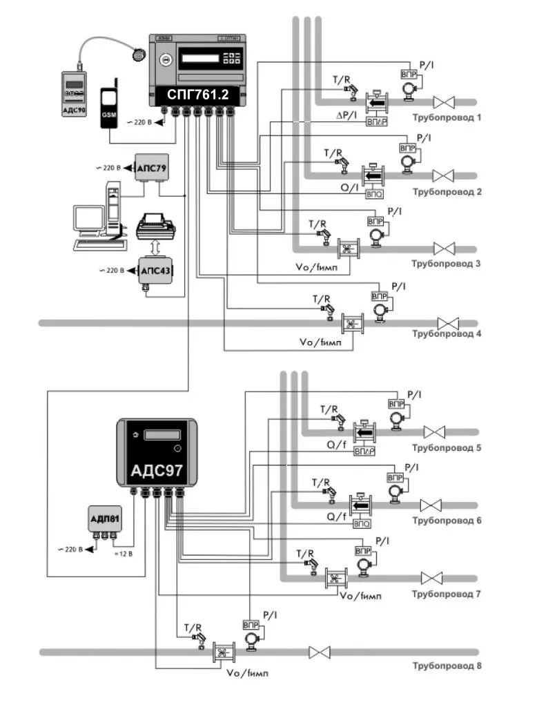
Пример применения корректора в составе измерительного комплекса показан на рисунке.
Рисунок. Измерительный комплекс на базе корректора.
Корректоры СПГ 761 соответствуют ГОСТ 30319.1-2015, ГОСТ 30319.2-2015, ГОСТ 30319.3-2015, ГОСТ 8.586.1 - ГОСТ 8.586.5, РД 50-411, ГОСТ Р 8.740-2011, МИ 2667-2011, МИ 3173-2008, ФР.1.29.2003.00885. Коэффициент сжимаемости газа вычисляется по уравнениям ВНИЦ СМВ, GERG-91 мод. и методу NX-19 мод.
Корректоры рассчитаны на работу совместно с датчиками расхода, объема, перепада давления, давления и температуры газа, а также, при необходимости, с датчиками плотности, влажности и удельной теплоты сгорания. Корректоры могут обслуживать до двенадцати трубопроводов.
Непосредственно к прибору могут быть подключены:
- восемь преобразователей с выходными сигналами тока 0–5, 0–20 или 4–20 мА;
- четыре преобразователя с выходным импульсным или частотным сигналом 0–5 кГц;
- четыре термопреобразователя сопротивления с характеристикой 50П, Pt50, 100П, Pt100, 50М, 100М.
Для модели 761.2 посредством адаптеров АДС97, подключаемых по дополнительному интерфейсу RS485, количество входов для подключения датчиков может быть увеличено.
Адаптер АДС97 имеет 4 входа для подключения датчиков расхода с импульсными выходными сигналами, 4 входа для подключения датчиков различного назначения с унифицированными токовыми выходными сигналами, 4 входа для подключения термопреобразователей сопротивления.
К корректору СПГ761.2 можно подключить один или два адаптера АДС97.
Корректоры осуществляют непрерывный контроль входных электрических сигналов и параметров потока газа. Любые недопустимые отклонения параметров и сигналов от нормы фиксируются в архиве диагностических сообщений с привязкой по времени. Средние и суммарные значения измеряемых и вычисляемых параметров заносятся в архивы, причем с привязкой к расчетному дню и часу.
Существует три типа архивов, имеющие различную глубину хранения:
- часовые архивы - 1080 ч;
- суточные архивы - 366 сут.;
- месячные архивы - 24 мес.
В специальных архивах ведется учет полного времени работы, перерывов электропитания и изменений настроечных параметров.
Приборы имеют два уровня защиты данных: пароль и защищенный пломбой механический переключатель. Время последнего включения и выключения переключателя защиты данных фиксируется программой прибора и не может быть изменено пользователем.
Для реализации коммуникационных возможностей приборы снабжены интерфейсами: RS232C, оптическим по стандарту IEC1107, одним (мод.761.1) или двумя (мод. 761.2) RS485. Максимальная скорость обмена данными по всем интерфейсам равна 57600 бод.
Второй интерфейс RS485 в модели 761.2 предназначен, главным образом, для подключения адаптеров - расширителей АДС97, но может применяться и для объединения приборов в сеть.
Программные средства СПСеть®, ПРОЛОГ, ОРС-сервер «ЛОГИКА» поддерживают обмен данными с приборами. Программа ТЕХНОЛОГ поддерживает их в части автоматизации процедур поверки.
Метрологические характеристики
Погрешность при рабочих условиях не превышает:
- ± 0,05% (приведенная) - по показаниям расхода, давления и перепада давления при работе с токовыми входными сигналами 4-20 мА;
- ± 0,05% (относительная) - по показаниям расхода при работе с числоимпульсными и частотными входными сигналами;
- ± 0,1°C (абсолютная) - по показаниям температуры для термопреобразователей Pt100, 100П, 100М.
Эксплуатационные характеристики
- Температура окружающего воздуха: от -10 до 50 °C.
- Относительная влажность: 95% при 35 °C.
- Степень защиты от воды и пыли: IP65.
- Габаритные размеры: 244 x 220 x 70 мм.
- Электропитание: 220 В ± 30%, 50 Гц.
- Потребляемая мощность: 7 В•А.
- Срок службы: 12 лет.
- Межповерочный интевал: 4 года.
- Гарантия: 5 лет.

